
dc插座是目前最為常用的一款插座元件,不過dc插座一般對于規格類型的產品區分眾多,其各規格不同的插座,相對于功能特性的差異及用途上都是有所不同的。例如常規的型號有dc002插座、dc003、dc005、dc006插座等規格,以dc002插座來講,那么大家對于這規格的產品是否全面了解呢?如它的性能特性如何?因此若不具備對產品的知識了解,一般對于在插座的選型當中,請勿隨便亂購置。接著以下為各位詳細解說一番關于dc002插座的性能特點以及用途等說明。
dc002插座

產品介紹:
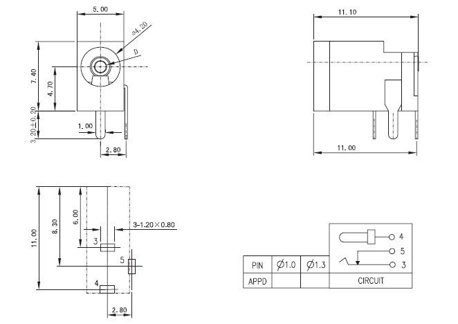
dc002插座為一款直插式電源插座,其插座常規的外孔規格尺寸為4.2mm,內孔規格區分有1.0mm、1.3mm等尺寸,針芯的類型上區分有圓針、梅花針等規格,一般請用戶依據自身的需求選擇。該產品用途一般多數應用于:音響、電視機、電腦、多媒體設備、投影儀、電子儀器、家電設備等行業。
技術參數:
壓力:86kPa~106kPa
環境溫度:15~35℃
額定值:DC 12V 1A
拔出力度:2.94~29.4N
插入力度:2.94~29.4N
接觸電阻:≤0.03Ω
相對濕度:25%~80%
絕緣電阻:≥100MΩ
dc002插座參考圖紙

以上關于常規dc002插座產品功能介紹大致都是解說的比較詳細,想必此時大家對于dc002插座的規格產品也有一定的認識以及了解了吧。不過總的來說,由于dc插座的規格產品較多,一般在產品的購買上,請務必注意核實清楚dc插座的規格尺寸、針芯的類型及各項性能參數是否符合自身要求使用。

Copyright © 廣東精密龍電子科技有限公司 版權所有 粵ICP備17035144號 粵公網安備44130202001184號
全國服務電話:0755-83205533 傳真:0755-83761155
公司地址:深圳市龍崗區龍崗大道8288號深圳大運軟件小鎮45棟2樓

